设为首页
加入收藏
产品导航
 
 静态混合设备
· SV、SK等静态混合器
· 煤气静态混合器
· SQS汽水混合器
· 分配器
· 喷射混合器
· 蒸汽减温器
· 纸浆漂白专用设备
 → 浆氮静态混合器
· 浸没式汽水加热器
· 粉粒体静态混合器
 过滤设备
· 管道过滤器
 → 篮式过滤器
 → T型过滤器
 → Y型过滤器
 → 临时过滤器
· 精细过滤器
 → 袋式精细过滤器
 → 金属滤芯精细过滤器
 → 非金属滤芯精细过滤器
 → 陶瓷滤芯精细过滤器
· 空气过滤器
 → 自洁式空气过滤器
 → 送风空气过滤器
 → 吸风空气过滤器
· 磁性过滤器
 管道专用小型设备
· 采样器
 → 在线采样器
 → 密闭采样器
 → 罐下采样器
 → 取样冷却器
· 阻火器
· 视镜
· 安全淋浴洗眼器
· 蒸汽分水器
 混合机
· 高剪切混合乳化机
· 管线式混合乳化机
· 星形给料机
 管壳式换热器
· 管壳式换热器
您当前的位置>>首页>>产品介绍

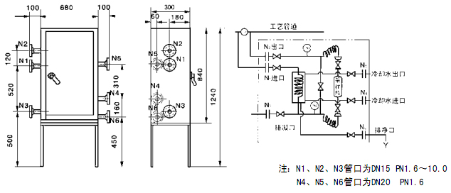
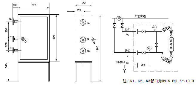
密闭采样器


   CSXM型密闭式采样器,主要由箱体、采样瓶、缓冲罐、快换手轮、压力表、阀门、密封件及法兰组成。

1、结构特点
   由于采样瓶与工艺管之间用带有快换手轮连接,因此,操作简单、迅速、方便。

2、技术参数适用范围
(1)CSXM—ⅠA型液体密闭式采样器
●.适用范围:适用于各种有毒、有害、易燃、易爆等各种液体介质的采样。
●.技术参数:采样温度:-20—60℃,设计压力:0~10.0MPa,采样量:100ml

(2)CSXM—ⅠB型液体密闭式采样器
●.适用范围:适用于各种有毒、有害、易燃、易爆等各种液体介质的采样。
●.技术参数:采样温度:-20~400℃,设计压力:0~10.0MPa,采样量:100ml


(3)CSXM-ⅡA型气体密闭式采样器
●.适用范围:适用于各种有毒、有害、易燃、易爆等各种气体介质的采样。
●.技术参数:使用温度:-20~50℃,设计压力:0~10.0MPa,采样量:200ml~500m1


(4)CSXM-ⅡB型气体密闭式采样器
●.适用范围:适用于各种有毒、有害、易燃、易爆等各种气体介质的采样。
●.技术参数:采样温度:-20~400℃,设计压力:0~10.0MPa,采样量:200ml一500m1


3、订货须知
●.订货时请详细注明采样器型号、介质名称、压力和温度。
●.请注明连接面法兰标准。

 
南通沃尔驰石化工程有限公司 地址:江苏启东市中央大道691号 视镜 | 叶轮视镜 | 管道视镜视蛊
电话:0513-83325673 传真:0513-83119878 网址:www.ntgjyj.com E-mail:13862978163@126.com